
DC Isolator Switch
Application
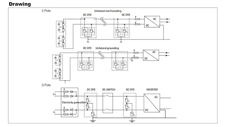
L1 Series DC Isolator Switch is applied to 1-20KW residential or commercial photovoltaic system, pleced between photovoltage modules and inverters. Arcing time is less than 8ms, that keeps solar system more safe. To ensure its stability and long service life, our products are made by components with optimum quality. Max voltage is up to 1200V DC. It holds a safe lead among similar products.
Feature
=IP20 Protection Level
=Din rail mounted
=The handle can be locked in the “OFF” position
=2 Pole, 4 Pleds are viable (Single I Double String)
=Standard: IEC60947-3, AS60947.3
=DC-PV2 DC-PV1, DC-21B
=16A, 25A 32A, 1200VDC
